Anschluss am Sekundärvergaser
Anschluss am Sekundärvergaser
Servus miteinand,
hab grad nen Vergaser gefunden, dürfte von einer 3UW sein.
Kann mir wer sagen, was an den Pinöpel oben vom Sekundärvergaser angeschlossen gehört?
Danke!
Grüße,
Pater
hab grad nen Vergaser gefunden, dürfte von einer 3UW sein.
Kann mir wer sagen, was an den Pinöpel oben vom Sekundärvergaser angeschlossen gehört?
Danke!
Grüße,
Pater
Re: Anschluss am Sekundärvergaser
Hallo pater.
Das ist ein Luftanschluss. Entweder Du machst den Schlauch mit Filter drauf - kann ich Dir schicken, wenns sein soll - oder Du lässt ihn einfach offen. Sauber machen tut dem Vergaser vor der Montage auch ganz gut
Brauchst Du nen Vergaser-Komplett-Dichtsatz? Ich habe einen über, für den will ich 22 Euro inkl. Versand haben. Bei Interesse schick mir eine Mail
Gutes Gelingen
Stef
Das ist ein Luftanschluss. Entweder Du machst den Schlauch mit Filter drauf - kann ich Dir schicken, wenns sein soll - oder Du lässt ihn einfach offen. Sauber machen tut dem Vergaser vor der Montage auch ganz gut

Brauchst Du nen Vergaser-Komplett-Dichtsatz? Ich habe einen über, für den will ich 22 Euro inkl. Versand haben. Bei Interesse schick mir eine Mail
Gutes Gelingen
Stef
Re: Anschluss am Sekundärvergaser
Hi,
nur ne Idee, aber könnte das sowas hier sein?
viewtopic.php?p=176516#p176516
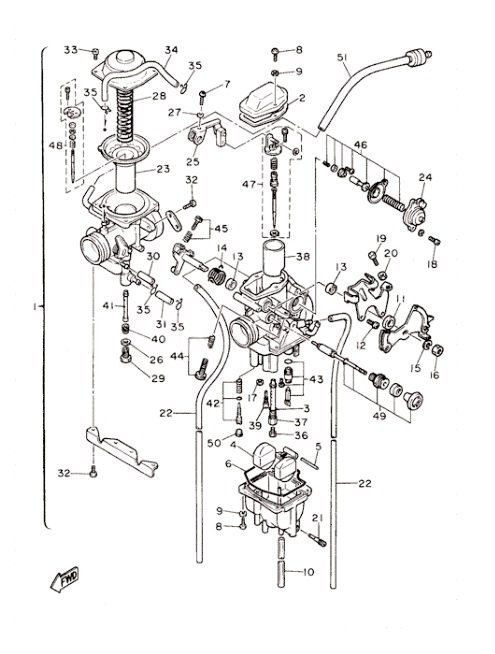
Schau Mal, welche Bezeichnung auf der Schwimmerkammer auf der linken Seite eingeschlagen ist.
Viele Grüße
Nico
nur ne Idee, aber könnte das sowas hier sein?
viewtopic.php?p=176516#p176516
Schau Mal, welche Bezeichnung auf der Schwimmerkammer auf der linken Seite eingeschlagen ist.
Viele Grüße
Nico
_____________________________________
the wrencher formerly known as nicoh
Yamaha XT 600 Z Ténéré 34L
the wrencher formerly known as nicoh

Yamaha XT 600 Z Ténéré 34L
Re: Anschluss am Sekundärvergaser
den hier?Steffen hat geschrieben: ↑Mo 6. Jun 2022, 13:05Hallo pater.
Das ist ein Luftanschluss. Entweder Du machst den Schlauch mit Filter drauf - kann ich Dir schicken, wenns sein soll - oder Du lässt ihn einfach offen.
Unbenannt.jpg
Sauber machen tut dem Vergaser vor der Montage auch ganz gut
Brauchst Du nen Vergaser-Komplett-Dichtsatz? Ich habe einen über, für den will ich 22 Euro inkl. Versand haben. Bei Interesse schick mir eine Mail
Gutes Gelingen
Stef
https://www.kedo.de/?f_einkauf=94012
Re: Anschluss am Sekundärvergaser
aber wieso hat die 3UW diesen Anschluss, die 2KF aber nicht?
hat eigentlich schon mal jemand den O-Ring Nummer 17 vergessen?
Hat ja dramatische Auswirkungen...
hat eigentlich schon mal jemand den O-Ring Nummer 17 vergessen?
Hat ja dramatische Auswirkungen...
Re: Anschluss am Sekundärvergaser
Der hier:
Stef
Keine Ahnung, aber ab der 3TB sieht der Veregaser eben so aus. Yamaha oder Teikei werdens wissen...aber wieso hat die 3UW diesen Anschluss, die 2KF aber nicht?
Stef
Re: Anschluss am Sekundärvergaser
Servus
ui fein mit Düsennadeln ... wo ist der denn her?
Würdest Du mir schauen welche Kennungen auf den Nadeln stehen?
Gryße!
Andreas, der motorang
ui fein mit Düsennadeln ... wo ist der denn her?
Würdest Du mir schauen welche Kennungen auf den Nadeln stehen?
Gryße!
Andreas, der motorang
___
Hübsch aussehen alleine reicht eben nicht - man muss auch Bier trinken können.
Hübsch aussehen alleine reicht eben nicht - man muss auch Bier trinken können.
Re: Anschluss am Sekundärvergaser
Das ist funktionierendes Asia-Replica. Daher gibt es keine Kennung, sorry. Orientiert haben die sich allerdings an der 3TB. Sprich: ein 2KF-Vergaser läuft damit, die Dichtungen und Schwimmernadeln passen, auch die Nadeln und Düsen lassen sich benutzen und der Vergaser funktioniert auch ganz gut damit. Aber es sind eben nicht die selben Nadeln wie die der 2KF. Da würde ich dann Originalteile nehmen und die original Hauptdüsen weiter verwenden oder bei Topham suchen.
Ich habe noch irgendwo eine Zeichnung von Stollis gedrehter Düsennadel, wenn Dich das interessiert. Bei unseren waagerecht strömenden Vergasern sollte es mit den Riefen in der gedrehten Nadel nicht schlimm sein, Stolli hatte seine selbstgemachten Nadeln sehr lange gefahren, ohne dass die Düsen oval aufgerieben wurden.
Stef
Ich habe noch irgendwo eine Zeichnung von Stollis gedrehter Düsennadel, wenn Dich das interessiert. Bei unseren waagerecht strömenden Vergasern sollte es mit den Riefen in der gedrehten Nadel nicht schlimm sein, Stolli hatte seine selbstgemachten Nadeln sehr lange gefahren, ohne dass die Düsen oval aufgerieben wurden.
Stef
Re: Anschluss am Sekundärvergaser
oh, 3tb und 2kf haben unterschiedliche Nadeln???
Hmmm, da sollte ich mal besser aufpassen, den Vergaser will ich für meine 2kf...
Aber an sich spricht nichts dagegen, nen 3tb an ner 2kf zu betreiben?
Danke für das Angebot, aber ich bestelle mir lieber Originale.
Vielen, vielen Dank!!!
@Steffen kannst du mir bitte ein Bild von dem Luftfilter für den Pinöpl schicken?
Hmmm, da sollte ich mal besser aufpassen, den Vergaser will ich für meine 2kf...
Aber an sich spricht nichts dagegen, nen 3tb an ner 2kf zu betreiben?
Danke für das Angebot, aber ich bestelle mir lieber Originale.
Vielen, vielen Dank!!!
@Steffen kannst du mir bitte ein Bild von dem Luftfilter für den Pinöpl schicken?
Re: Anschluss am Sekundärvergaser
So sollte das aussehen:
Bei der Montage vom Vergaser wird der Schlauch dann einfach zurück Richtung oberes Auge Federbein gelegt.
Für die Verlegung der Schläuche ist sonst auch dieser Beitrag hilfreich:
viewtopic.php?f=348&t=155710#top
Bei der Montage vom Vergaser wird der Schlauch dann einfach zurück Richtung oberes Auge Federbein gelegt.
Für die Verlegung der Schläuche ist sonst auch dieser Beitrag hilfreich:
viewtopic.php?f=348&t=155710#top
Grüße, Stücki
aus: Steiermark, Österreich
Motorräder:

aus: Steiermark, Österreich
Motorräder:
- Yamaha XT 600E DJ02 (BJ 1999)
- Kawasaki ZX-6R 636 Ninja (BJ 2003)
- Kawasaki ZX-6R Ninja (BJ 1996)
- Daelim Otello SG125F (BJ 2005)
- Sym Maxsym TL 500 (BJ 2020)