Gesucht: Farbiger Schaltplan 43f

Zündaussetzer, Seitenständerschalter, Lichtmaschine usw.
Cyrus
Beiträge: 379
meble kuchenne Ruda Śląska Rybnik Tychy
Registriert: So 5. Apr 2020, 09:50

Re: Gesucht: Farbiger Schaltplan 43f

Beitrag von Cyrus »

Straßenschrauber hat geschrieben:
Mi 13. Jul 2022, 10:58
Wie machst Du das?
Mit einem Grafikprogramm. In diesem Falle Paint Shop Pro. Ich bin da aber auch nicht so der Experte drin.
Deshalb bleibt das mühevolle Kleinarbeit und dauert ewig. Aber das war es mir wert. :)
XT600 2KF '88

Straßenschrauber
Beiträge: 1049
Registriert: So 29. Mär 2020, 21:38

Re: Gesucht: Farbiger Schaltplan 43f

Beitrag von Straßenschrauber »

Magst mir mal das *.psp mailen?
Dann versuche ich es mit dem Schaltplan der 43f.
~-o|-

Cyrus
Beiträge: 379
Registriert: So 5. Apr 2020, 09:50

Re: Gesucht: Farbiger Schaltplan 43f

Beitrag von Cyrus »

.pspimage heißt die Dateiendung hier. Die kannst du gerne haben, wenn du mir deine Mailadresse schickst.
XT600 2KF '88

Straßenschrauber
Beiträge: 1049
Registriert: So 29. Mär 2020, 21:38

Re: Gesucht: Farbiger Schaltplan 43f

Beitrag von Straßenschrauber »

Du kannst einfach bei meinem Nutzernamen neben dem Beitrag auf ... "Kontaktdaten" klicken.
Wenn das nicht geht, schick eine PN.
Danke!
~-o|-

Straßenschrauber
Beiträge: 1049
Registriert: So 29. Mär 2020, 21:38

Re: Gesucht: Farbiger Schaltplan 43f

Beitrag von Straßenschrauber »

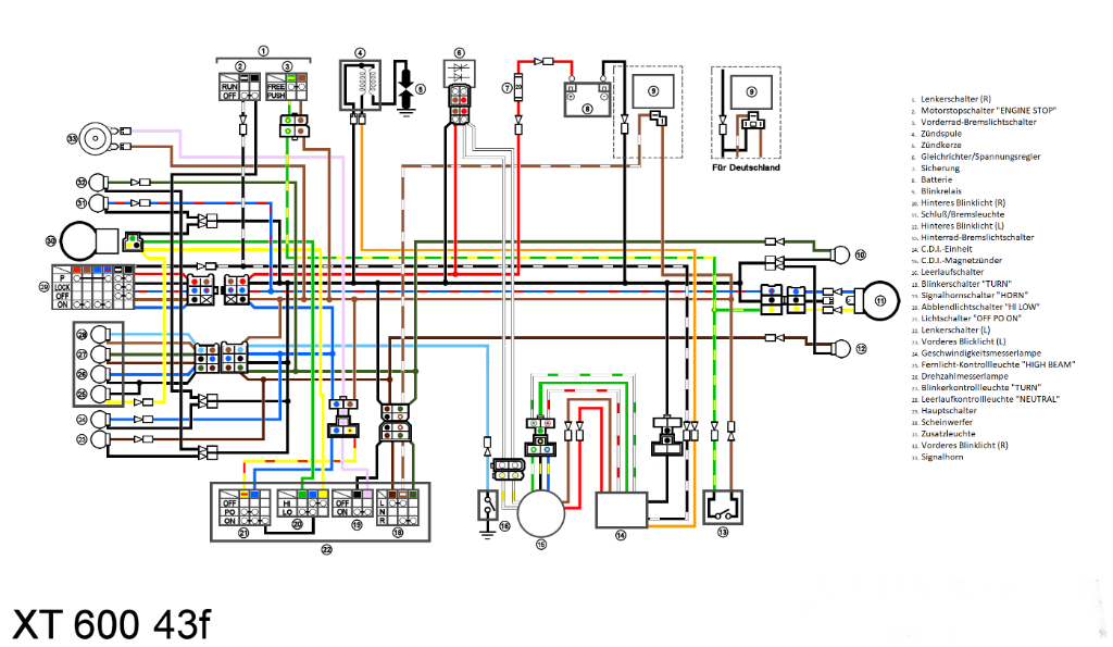
Erste Näherung.
Bei den Steckverbindern bin ich nicht sicher, dazu muß ich mir das noch an der Maschine ansehen.
Schaltplan-XT600_43F_farbig.png
~-o|-

Straßenschrauber
Beiträge: 1049
Registriert: So 29. Mär 2020, 21:38

Re: Gesucht: Farbiger Schaltplan 43f

Beitrag von Straßenschrauber »

Und als pdf, Ausdruck bis DIN A0 möglich. :mrgreen:
Schaltplan-XT600_43f_farbig.pdf
(297.54 KiB) 177-mal heruntergeladen
Ich hab's mir im Copyshop auf A3 ausgedruckt und mit Fixierer werkstattfest gemacht. Klarlack tut es auch.
~-o|-

Cyrus
Beiträge: 379
Registriert: So 5. Apr 2020, 09:50

Re: Gesucht: Farbiger Schaltplan 43f

Beitrag von Cyrus »

Sehr schön! :!:
XT600 2KF '88

Antworten