Frage zur Mutter am Vergaser

Vergaser, Ansaugstutzen, Luftfilter usw. Tipp !! >> Vergaser/Gemischaufbereitung auf http://www.xt600.de
Antworten
ckaruso
Beiträge: 114
meble kuchenne Ruda Śląska Rybnik Tychy
Registriert: Fr 22. Jul 2016, 13:26
Wohnort: 15345

Frage zur Mutter am Vergaser

Beitrag von ckaruso »

Hallo,
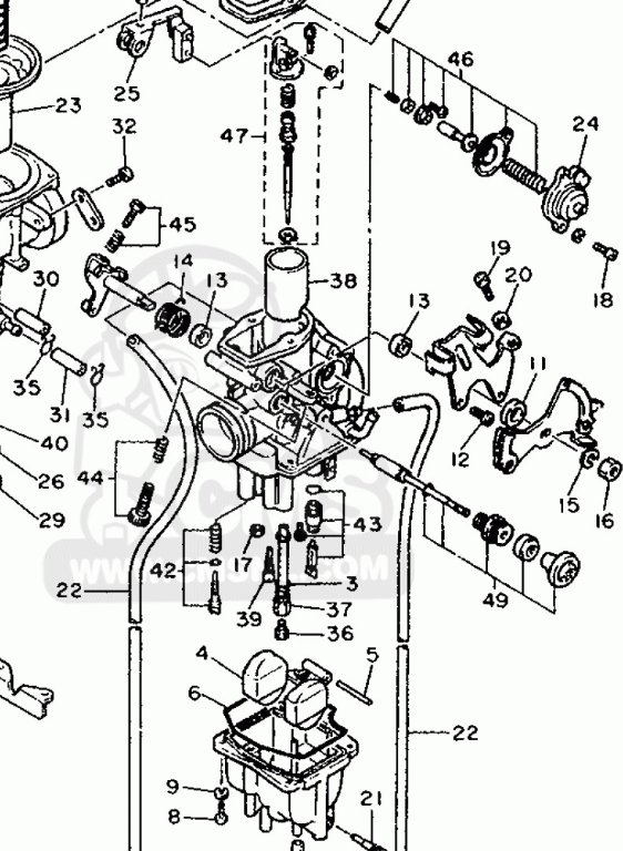
habe gestern mit entsetzen feststellen müssen das eine Mutter und Federscheibe am Vergaser fehlen. Es handelt sich um die Mutter die den Bowdenzughalter für das Gas auf der Schieberachse hält.
Ich hänge mal ein Bild ran.
Es geht um die Teile 15 und 16.
Die beiden Teile sind nicht mehr lieferbar, der Federring ist nicht das Problem aber die Mutter. Die scheint kein Normalgewinde zu haben, jedenfalls passt keine Normalgewindemutter auf die Achse. Die ersten beiden Gewindegänge haben es mir auch schon übel genommen. Ist das eine Feingewindemutter, so richtig kann ich es nicht sehen?
Dateianhänge
vergaser XT 600 e (2).jpg
XT 600E 3TB 4PT1 Bj. 1995

Cyrus
Beiträge: 397
Registriert: So 5. Apr 2020, 09:50

Re: Frage zur Mutter am Vergaser

Beitrag von Cyrus »

Meines Wissens M8x1.

gruß

Cyrus
XT600 2KF '88

Benutzeravatar
Henner
(verstorben)
Beiträge: 19110
Registriert: Mi 5. Jul 2006, 21:35
Kontaktdaten:

Re: Frage zur Mutter am Vergaser

Beitrag von Henner »

Motoritz wird sie kurz nach Deinem Anruf in einen Briefumschlag stecken. :mrgreen:
Grüße, Henner

Admin XT600.de und XT-FOREN.DE

Ex: 3TB 4PTY EZ 98 - 4x 1VJ unterschiedlicher Baujahre - Umgestiegen auf nen V8 mit 5.7L

ckaruso
Beiträge: 114
Registriert: Fr 22. Jul 2016, 13:26
Wohnort: 15345

Re: Frage zur Mutter am Vergaser

Beitrag von ckaruso »

Hallo,
ja weiß ich doch! :D
es hätte mich aber trotzdem interessiert was das für ein Gewinde ist. Bin zur Zeit ohne Lesebrille und da ist das kurze gucken echt schwer.
Meine Tochter oder Frau kennen den Unterschied nicht.
XT 600E 3TB 4PT1 Bj. 1995

Antworten