43F Zündstromkreis
-
- Beiträge: 88
- meble kuchenne Ruda Śląska Rybnik Tychy
- Registriert: So 26. Mär 2023, 22:16
43F Zündstromkreis
Hallo zusammen,
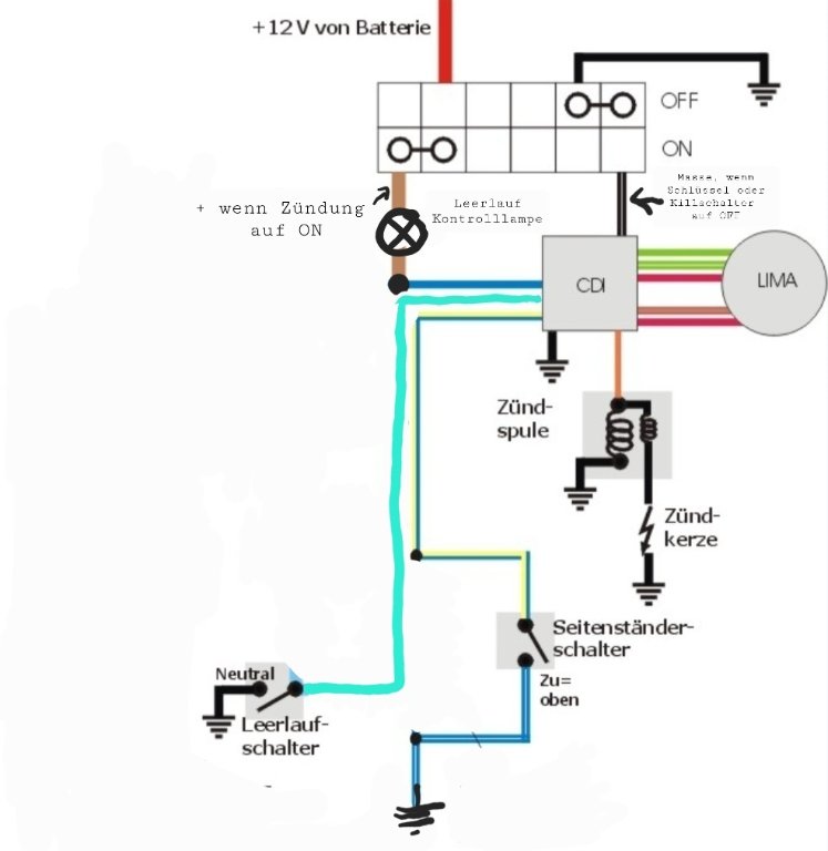
kann mir jemand sagen, wie der Zündstromkreis der XT 600 43F aufgebaut ist? Im FAQ habe ich den von der 1VJ gefunden und anbei mal so angepasst, wie ich den Stromkreis für die 43F vermute. Passt das so? Kabelfarben an den CDI entsprechen glaub ich der CDI 43F-51.
Motor müsste doch eigentlich laufen, wenn ich schwarz und blaugelb an der CDI direkt auf Masse lege und schwarzweiß trenne. Oder brauche ich auch das Zündungsplus über blau?
Link zum FAQ :
viewtopic.php?f=327&t=153945
VG, Daniel
kann mir jemand sagen, wie der Zündstromkreis der XT 600 43F aufgebaut ist? Im FAQ habe ich den von der 1VJ gefunden und anbei mal so angepasst, wie ich den Stromkreis für die 43F vermute. Passt das so? Kabelfarben an den CDI entsprechen glaub ich der CDI 43F-51.
Motor müsste doch eigentlich laufen, wenn ich schwarz und blaugelb an der CDI direkt auf Masse lege und schwarzweiß trenne. Oder brauche ich auch das Zündungsplus über blau?
Link zum FAQ :
viewtopic.php?f=327&t=153945
VG, Daniel
- christian78
- Beiträge: 5385
- Registriert: Do 14. Okt 2010, 17:15
Re: 43F Zündstromkreis
Drei vom Picup und zwei für sie Spannung genau.
So wie bei der 2KF.
https://www.xt600.de/xt_werkstatt/_tech ... /index.htm
Ruckeln bei der Fahrt:
Den Ständerschalter kannst du auch mal brücken - die kabelbaumseitigen Enden lassen sich zusammenstecken.
So wie bei der 2KF.
https://www.xt600.de/xt_werkstatt/_tech ... /index.htm
Ruckeln bei der Fahrt:
Den Ständerschalter kannst du auch mal brücken - die kabelbaumseitigen Enden lassen sich zusammenstecken.
Ich wohn zwar nicht am Arsch der Welt, aber man kann ihn von hier aus hervorragend sehen!
Re: 43F Zündstromkreis
Danke für den Tipp. Der Schaltplan von der 2KF passt perfekt, darauf währe ich nicht gekommen bei einer 43F mit BJ'86. Auch die Beschriftung in meinem Reperaturhandbuch hat mich da irre geführt. Demnach müsste der vereinfachte Zündstromkreis dann grob so aussehen. Ein Unterbrecherrelais gibt es wohl nicht und die Leerlaufkontrollleuchte hängt an der Leitung zum Zündungsplus.
- christian78
- Beiträge: 5385
- Registriert: Do 14. Okt 2010, 17:15
Re: 43F Zündstromkreis
Du findest den ganzen 43F Schaltplan in meinem Link oben.
Die Zündung arbeitet unabhängig vom Bordnetz - wenn man die Neutralbirme mal ausser Acht lässt.
Der Seitenständer alleine kann es nicht sein, weil das immer mit der Neutralbirne zusammen einen Fehler ergeben muss - zumindest läuft sie dann im Neutral.
Ich würde so vorgehen:
Steckkontakte prüfen. Und dann gehts ans Teile tauschen. Entweder eine test CDI und Zündspule von Motoritz, oder gebrauchte.
Und dann gehts auch schon richtung Lima wickeln - lima nicht falsch verstehen, die eine Spule sitzt halt auf der Lima mit drauf.
Dann sind zwei Picup Coils in einem gehäuse verbaut - deshalb die drei Kabel. Kann auch mal kaputt gehen, meistens läuft sie dann mit einer Spule noch mit falschem ZZP.
Viel häufiger ist es die Lima.
Die Limas haben eigentlich das ganze Leben keinen Ärger gemacht, die Moppeds sind halt jetzt alle in nem Alter, wo ein Ausfall wahrscheinlich wird.
Hab meine vor 10 Jahren bei Kedo machen lassen. War jetzt nicht günstig, war aber mit der Arbeit und Vergussmasse top zufrieden. Funktioniert seitdem unauffällig wie immer.
Gibt auch günstigere. Oder eine Bastelanleitung hier zum selberwickeln. Kann man machen
Wohin schickt Moritz die Limas eigentlich?
Die Zündung arbeitet unabhängig vom Bordnetz - wenn man die Neutralbirme mal ausser Acht lässt.
Der Seitenständer alleine kann es nicht sein, weil das immer mit der Neutralbirne zusammen einen Fehler ergeben muss - zumindest läuft sie dann im Neutral.
Ich würde so vorgehen:
Steckkontakte prüfen. Und dann gehts ans Teile tauschen. Entweder eine test CDI und Zündspule von Motoritz, oder gebrauchte.
Und dann gehts auch schon richtung Lima wickeln - lima nicht falsch verstehen, die eine Spule sitzt halt auf der Lima mit drauf.
Dann sind zwei Picup Coils in einem gehäuse verbaut - deshalb die drei Kabel. Kann auch mal kaputt gehen, meistens läuft sie dann mit einer Spule noch mit falschem ZZP.
Viel häufiger ist es die Lima.
Die Limas haben eigentlich das ganze Leben keinen Ärger gemacht, die Moppeds sind halt jetzt alle in nem Alter, wo ein Ausfall wahrscheinlich wird.
Hab meine vor 10 Jahren bei Kedo machen lassen. War jetzt nicht günstig, war aber mit der Arbeit und Vergussmasse top zufrieden. Funktioniert seitdem unauffällig wie immer.
Gibt auch günstigere. Oder eine Bastelanleitung hier zum selberwickeln. Kann man machen

Wohin schickt Moritz die Limas eigentlich?
Ich wohn zwar nicht am Arsch der Welt, aber man kann ihn von hier aus hervorragend sehen!
Re: 43F Zündstromkreis
Perfekt, danke für den Link! Der Hinweis mit dem Schaltplan für die 2KF war entscheidend! Werde demnächst nochmal versuchen alle möglichen Kontaktprobleme auszuschließen und die Maschine mal auf die Seite legen und den Lima Deckel aufmachen. Aber anscheinend scheint ja Erregerspule/Kondensatorladespule neu wickeln lassen generell keine sinnlose Investition zu sein.
Bin noch relativ neu hier
Mit Moritz ist der aus Pohlheim in Hessen gemeint oder finde ich den hier auch im Forum?
Bin noch relativ neu hier

Re: 43F Zündstromkreis
Wow Cyrus, das ist ja der Hammer! Danke fürs Teilen! Und ich male gestern mit meinen drei Buntstiften, die ich noch zu Hause habe, die Linien im Schwarzweiss Plan nach
Kann man deinen Plan irgendwie runterladen zum ausdrucken? Bin irgendwie zu blöd...
Was ich immer noch nicht verstehe: Warum passt zu meiner 43f der Schaltplan von der 2KF? Hat da einer der Vorbesitzer mal die Elektrik ausgetauscht oder ist das normal?

Was ich immer noch nicht verstehe: Warum passt zu meiner 43f der Schaltplan von der 2KF? Hat da einer der Vorbesitzer mal die Elektrik ausgetauscht oder ist das normal?
Re: 43F Zündstromkreis
Den LInk zum 43F-Schaltplan als pdf hat Straßenschrauber in diesen Beitrag gepostet: viewtopic.php?p=177544#p177544.
Den kannste dann auch einfach ausdrucken.
Vermutlich hat sie zwischen 43F und 2KF einfach nicht viel getan.

Vermutlich hat sie zwischen 43F und 2KF einfach nicht viel getan.
XT600 2KF '88
- christian78
- Beiträge: 5385
- Registriert: Do 14. Okt 2010, 17:15
Re: 43F Zündstromkreis
Ich male mir immer mit Buntstiften die Sachen an, die ich brauche.
Da ist dann nur ein kleiner Teil farbig auf den ich mich konzentriere.

Da ist dann nur ein kleiner Teil farbig auf den ich mich konzentriere.
Ich wohn zwar nicht am Arsch der Welt, aber man kann ihn von hier aus hervorragend sehen!
- christian78
- Beiträge: 5385
- Registriert: Do 14. Okt 2010, 17:15
Re: 43F Zündstromkreis
Ja, er ist der Sponsor dieses Forums und hat so viel Erfahrung an den XTs wie sonst keiner.
Du bekommst Originalteile (sofern noch lieferbar), Kedoteile, Zubehörteile, Gebrauchtteile,...
Du kannst dir ein Paket schnüren lassen aus Neu und Gebrauchtteilen, so wie du es haben willst.
Und er packt die auch immer gute Zubehörteile mit ein.
Ich kauf sehr gerne bei ihm.
Ganz oben auf der Seite ist der Motoritz Link.
Die Homepage ist... die hat ein Künstler gemacht

Je nach Bildschirmaoflösung wird nicht alles angezeigt - zumindest bei mir.
Wenn du die Mailadresse brauchst, kann ich dir geben.
Nein, der 3tb Kicker Schaltplan ist auch ähnlich. E ist dann komplett anders.Cyrus hat geschrieben: ↑Mo 1. Mai 2023, 18:05Den LInk zum 43F-Schaltplan als pdf hat Straßenschrauber in diesen Beitrag gepostet: viewtopic.php?p=177544#p177544.Den kannste dann auch einfach ausdrucken.
Vermutlich hat sie zwischen 43F und 2KF einfach nicht viel getan.
Ich wohn zwar nicht am Arsch der Welt, aber man kann ihn von hier aus hervorragend sehen!