Long Way East - Umbau der Tenere
- Svoeen
- Beiträge: 568
- meble kuchenne Ruda Śląska Rybnik Tychy
- Registriert: So 29. Apr 2018, 17:07
- Wohnort: Hofheim in Unterfranken
Re: Long Way East - Umbau der Tenere
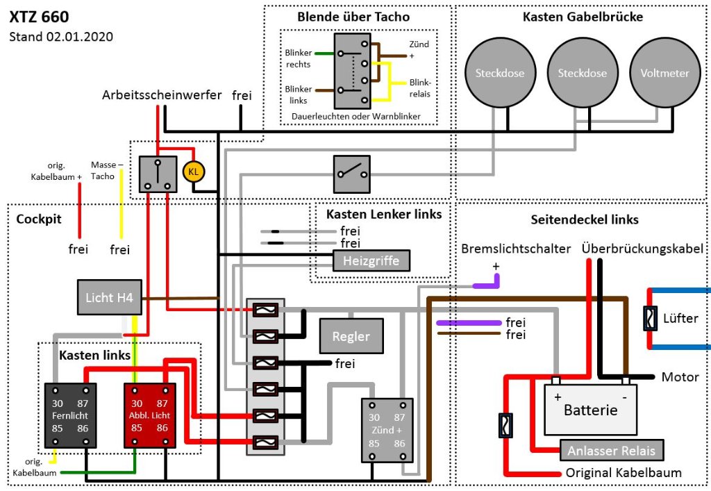
Da die Züge nicht mehr vor der Gabelbrücke verlaufen war Platz für Steckdosen und ein Voltmeter. Das Gehäuse ist an den 2 Schrauben für den original Bügel und an einer der Gabelklemmschrauben befestigt. Da ich früher öfters Probleme mit sich lockernden Steckern hatte(je nach Art des Steckers) hab ich zwei Halter angebaut. Die lassen sich individuell anpassen oder schnell entfernen.
Geschalten ist eine Dose und das Voltmeter über Zündungsplus und die andere Dose über einen Schalter und auf Dauerplus, beide Kreise natürlich über eine separate Sicherung.
Geschalten ist eine Dose und das Voltmeter über Zündungsplus und die andere Dose über einen Schalter und auf Dauerplus, beide Kreise natürlich über eine separate Sicherung.
WR 450 F(06er), XT 600E 3UW offen, XTZ 660 3YF, XTZ 850 mit 3VD, XT 750 Scrambler, XV 750 SE Chopper Umbau, XS 1100 Gespann, Grizzly 660
Re: Long Way East - Umbau der Tenere
Diese jetzt gezeigten Elektroarbeiten, hab ich schon im Zuge des Aufbaus begonnen und immer weitergeführt, wenn was neues dazu kam.
Das erste Bild zeigt die Elektrik wie sie einer der Vorbesitzer mal umgebaut hat. Verschiedene Sicherungen, Stromdiebe und gleiche Kabelfarben für + und - . Das musste auf jeden Fall überarbeitet werden.
Also alles auf Flachsicherungen und einen Sicherungskasten im Cockpit umgebaut (An der Batterie ist nur noch die originale und die für den Lüfter). Regler direkt verkabelt, Relais für Zündung und die Lichter eingebaut.
Hinten an der Batterie hab ich dicke Kabel mit Stecker als Überbrückungskabel unter die Sitzbank gelegt. Das hab ich auch an meiner 850er so. Da schließe ich im Notfall meine Kabel aus dem Bordwerkzeug(sieht man bei den Bildern vom Heckfach) an und muss nicht irgendwelche Klammern an die winzigen und schwer zugänglichen Pole basteln. An dem Anschluss kann ich auch mein Batterieladegerät direkt anstöpseln oder meinen 12V Kompressor. Motorräder kann man damit überbrücken, hab ich schon öfters gemacht.
Die LED Arbeits-Scheinwerfer ohne E Zeichen hab ich per Schalter so angeklemmt, dass ich sie entweder direkt einschalten kann oder dass sie automatisch nur mit Fernlicht angehen.
Eine einfache Schaltung für ein Warnblinklicht hab ich auch eingebaut. Da es ein 3 Weg-Schalter war hab ich auch die Funktion Dauerleuchten eingebaut. Ob mans brauch
Ein paar freie Leitungen hab ich beibehalten bzw neu eingezogen, die kann ich bei zukünftigen Umbauten nutzen ohne wieder neu wickeln zu müssen.
Am Schluss hab ich mir noch einen schönen Schaltplan mit den verwendeten Kabelfarben gemalt, damit es in Zukunft leichter ist, ein Problem zu finden.
Die Farben sind nicht komplett konsequent durchgezogen, aber ich hab genommen was da war und teilweise die Leitungen vom Vorbesitzer verwendet, da sie schön in den Kabelbaum mit eingewickelt waren.
Das erste Bild zeigt die Elektrik wie sie einer der Vorbesitzer mal umgebaut hat. Verschiedene Sicherungen, Stromdiebe und gleiche Kabelfarben für + und - . Das musste auf jeden Fall überarbeitet werden.
Also alles auf Flachsicherungen und einen Sicherungskasten im Cockpit umgebaut (An der Batterie ist nur noch die originale und die für den Lüfter). Regler direkt verkabelt, Relais für Zündung und die Lichter eingebaut.
Hinten an der Batterie hab ich dicke Kabel mit Stecker als Überbrückungskabel unter die Sitzbank gelegt. Das hab ich auch an meiner 850er so. Da schließe ich im Notfall meine Kabel aus dem Bordwerkzeug(sieht man bei den Bildern vom Heckfach) an und muss nicht irgendwelche Klammern an die winzigen und schwer zugänglichen Pole basteln. An dem Anschluss kann ich auch mein Batterieladegerät direkt anstöpseln oder meinen 12V Kompressor. Motorräder kann man damit überbrücken, hab ich schon öfters gemacht.
Die LED Arbeits-Scheinwerfer ohne E Zeichen hab ich per Schalter so angeklemmt, dass ich sie entweder direkt einschalten kann oder dass sie automatisch nur mit Fernlicht angehen.
Eine einfache Schaltung für ein Warnblinklicht hab ich auch eingebaut. Da es ein 3 Weg-Schalter war hab ich auch die Funktion Dauerleuchten eingebaut. Ob mans brauch
Ein paar freie Leitungen hab ich beibehalten bzw neu eingezogen, die kann ich bei zukünftigen Umbauten nutzen ohne wieder neu wickeln zu müssen.
Am Schluss hab ich mir noch einen schönen Schaltplan mit den verwendeten Kabelfarben gemalt, damit es in Zukunft leichter ist, ein Problem zu finden.
Die Farben sind nicht komplett konsequent durchgezogen, aber ich hab genommen was da war und teilweise die Leitungen vom Vorbesitzer verwendet, da sie schön in den Kabelbaum mit eingewickelt waren.
WR 450 F(06er), XT 600E 3UW offen, XTZ 660 3YF, XTZ 850 mit 3VD, XT 750 Scrambler, XV 750 SE Chopper Umbau, XS 1100 Gespann, Grizzly 660
Re: Long Way East - Umbau der Tenere
Ein Scottoiler kam auch irgendwann dran. Der Voratsbehälter hat super unter die neue Seitenverkleidung gepasst. Er tropft vorne direkt auf die Kette kurz vorm Ritzel.
WR 450 F(06er), XT 600E 3UW offen, XTZ 660 3YF, XTZ 850 mit 3VD, XT 750 Scrambler, XV 750 SE Chopper Umbau, XS 1100 Gespann, Grizzly 660
Re: Long Way East - Umbau der Tenere
Das war es mit großen Umbauten an der Tenere. Ein paar Kleinigkeiten werden noch erledigt und irgendwann eingestellt.
Anmerkungen und auch konstruktive Kritik sind gern gesehen
Gruß
Sven
Anmerkungen und auch konstruktive Kritik sind gern gesehen
Gruß
Sven
WR 450 F(06er), XT 600E 3UW offen, XTZ 660 3YF, XTZ 850 mit 3VD, XT 750 Scrambler, XV 750 SE Chopper Umbau, XS 1100 Gespann, Grizzly 660
Re: Long Way East - Umbau der Tenere
Respekt. Haufen Arbeit reingesteckt und das mit der 1 in 2 Anlage ... da muss man echt mehrfach hinschauen bis es auffällt.
Hat schon mal einer der Herren Rennleitung eine Geräuschmessung am linken Endtopf vorgenommen ?
Hat schon mal einer der Herren Rennleitung eine Geräuschmessung am linken Endtopf vorgenommen ?
Grüße, Henner
Admin XT600.de und XT-FOREN.DE
Ex: 3TB 4PTY EZ 98 - 4x 1VJ unterschiedlicher Baujahre - Umgestiegen auf nen V8 mit 5.7L
Admin XT600.de und XT-FOREN.DE
Ex: 3TB 4PTY EZ 98 - 4x 1VJ unterschiedlicher Baujahre - Umgestiegen auf nen V8 mit 5.7L
Re: Long Way East - Umbau der Tenere
Danke
Ich wart noch drauf, dass mal einer danach fragt. Bin bisher aber außer einmal mit der 50er noch nie von den angehalten worden
WR 450 F(06er), XT 600E 3UW offen, XTZ 660 3YF, XTZ 850 mit 3VD, XT 750 Scrambler, XV 750 SE Chopper Umbau, XS 1100 Gespann, Grizzly 660
Re: Long Way East - Umbau der Tenere
Danke erstmal dass du dir die Mühe gemacht hast das hier so sauber zu dokumentieren.
Respekt für die Arbeit, paar echt geniale Sachen dabei wie ich finde...
Ernsthaft wie geil ist der 2. te Auspuff der keiner ist haha wenn man da nicht ganz genau hinguckt checkt man das echt nicht
Ich liebe ja auch so Do-It-Yourself Lösungen die aus iwelchen Teilen zusammengebastelt sind aber eben nicht Pfuschmäßig sondern wie bei dir wirklich sauber und gscheit gmacht einfach, und dann noch so das es echt gut aussieht -> fetter Daumen hoch
Hoffentlich wirst du die Reise trotz der derzeitigen Situation antreten können
Respekt für die Arbeit, paar echt geniale Sachen dabei wie ich finde...
Ernsthaft wie geil ist der 2. te Auspuff der keiner ist haha wenn man da nicht ganz genau hinguckt checkt man das echt nicht
Ich liebe ja auch so Do-It-Yourself Lösungen die aus iwelchen Teilen zusammengebastelt sind aber eben nicht Pfuschmäßig sondern wie bei dir wirklich sauber und gscheit gmacht einfach, und dann noch so das es echt gut aussieht -> fetter Daumen hoch
Hoffentlich wirst du die Reise trotz der derzeitigen Situation antreten können
Grüße, Stücki
aus: Steiermark, Österreich
Motorräder:
aus: Steiermark, Österreich
Motorräder:
- Yamaha XT 600E DJ02 (BJ 1999)
- Kawasaki ZX-6R 636 Ninja (BJ 2003)
- Kawasaki ZX-6R Ninja (BJ 1996)
- Daelim Otello SG125F (BJ 2005)
- Sym Maxsym TL 500 (BJ 2020)
Re: Long Way East - Umbau der Tenere
Servus Sven,
Kompliment!
Was mich noch interessieren würde: Ist der Zusatztank (=Auspuff-Attrappe) direkt angschlossen an die Vergaser/Benzinleitungen oder nutzt Du den tatsächlich als "Reserve, aus der Du dann umfüllen musst?
Maybach
Kompliment!
Was mich noch interessieren würde: Ist der Zusatztank (=Auspuff-Attrappe) direkt angschlossen an die Vergaser/Benzinleitungen oder nutzt Du den tatsächlich als "Reserve, aus der Du dann umfüllen musst?
Maybach
Re: Long Way East - Umbau der Tenere
hi,
sehr informativ , vielen Dank dafür.
viele Grüße
juxer
sehr informativ , vielen Dank dafür.
viele Grüße
juxer
XT 600 2kf Bj.89

Re: Long Way East - Umbau der Tenere
Danke für die Komplimente
Der Plan ist einen Einschübling zu bauen der entweder direkt angeschlossen(mit Benzinhahn) und von hinten betankt wird oder nur wie ein Ersatzkanister funktioniert. Da wäre ein runder Kunststoffkanister natürlich das beste. Falls da jemand mal etwas sieht, gerne Bescheid geben.
Das hoffen wir auch, wir sind allerdings auch realistisch und rechnen damit, dass es nix werden könnte. Resümee unserer Krisensitzung: Wir bleiben (abfahr-) bereit und wenn die Zeit gekommen ist, wird dahin gefahren, wo es offene Grenzen gibt, auch wenn es dann vielleicht Spanien oder so sein wird
Momentan weder das eine noch das andere. Zuerst wollte ich ihn permanent per 2. Benzinhahn zuschalten(Da war mir aber die TÜV Geschichte, die Gefahr des Zerplatzens und die fehlende andersweitige Nutzbarkeit innerhalb Deutschlands(Europa) zu blöd). Aktuell wird er nur als Staufach genutzt.
Der Plan ist einen Einschübling zu bauen der entweder direkt angeschlossen(mit Benzinhahn) und von hinten betankt wird oder nur wie ein Ersatzkanister funktioniert. Da wäre ein runder Kunststoffkanister natürlich das beste. Falls da jemand mal etwas sieht, gerne Bescheid geben.
WR 450 F(06er), XT 600E 3UW offen, XTZ 660 3YF, XTZ 850 mit 3VD, XT 750 Scrambler, XV 750 SE Chopper Umbau, XS 1100 Gespann, Grizzly 660