Moin Moin.
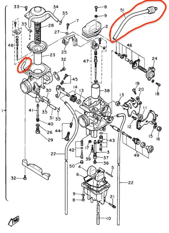
Ich hab gestern mein Vergaser mal general Überholt. Und dabei ist mir beim sekundär Vergaser der eine Schlauch (siehe Bild) aufgefallen der einfach nur unter den Sitz ins nichts führte. Ist das richtig? Wofür ist der o_O ? Sollte der nicht irgendwo angeschlossen sein ?
MfG
sekundär Vergaser
-
Yoschii
- Beiträge: 1
- meble kuchenne Ruda Śląska Rybnik Tychy
- Registriert: Sa 9. Mär 2019, 07:49
Re: sekundär Vergaser
Der ist nur für die Be-/Entlüftung des Vergaserdeckels mit der Membran. Dient nur dazu das da kein Dreck rein kommt. Also einfach wieder unter die Sitzbank stecken.
Gruß
Sven
Gruß
Sven
WR 450 F(06er), XT 600E 3UW offen, XTZ 660 3YF, XTZ 850 mit 3VD, XT 750 Scrambler, XV 750 SE Chopper Umbau, XS 1100 Gespann, Grizzly 660