E-Starter nachrüsten
-
lowrider82
- Beiträge: 1864
- meble kuchenne Ruda Śląska Rybnik Tychy
- Registriert: Di 16. Okt 2007, 11:17
Re: E-Starter nachrüsten
Mit rumbasteln meinte ich jetzt nicht pfuschen.
Re: E-Starter nachrüsten
Vielleicht "rumdilettieren"? Der Begriff "Dilettant" wird heut als abwertendes Schimpfwort benutzt, war vor hundert Jahren aber durchaus positiv besetzt.
Ich zitiere aus dem entsprechenden Wikipediaartikel:
Ein Dilettant ... ist ein Liebhaber einer Kunst oder Wissenschaft, der sich ohne schulmäßige Ausbildung und nicht berufsmäßig damit beschäftigt.[2] Als Amateur oder Laie übt er eine Sache um ihrer selbst willen aus, also aus Interesse, Vergnügen oder Leidenschaft und unterscheidet sich somit von einem Fachmann. Dabei kann er vollendete Kenntnisse und Fertigkeiten erlangt haben; solange er die Tätigkeit (als „Liebhaberei“) nicht beruflich bzw. für seinen Lebensunterhalt ausübt oder eine anerkannte einschlägige Prüfung bestanden hat, gilt er als Dilettant.
Schaut man sich die Liste berühmter Dilettanten an, dann stehen u.A. Nicolaus Otto, Felix Wankel, Stirling, Goethe, Einstein...
Gruß
Hans
Re: E-Starter nachrüsten
Ich habe den Starter bei meiner 1VJ ausgebaut… und auf Handdeko umgebaut… das E-Ding machte nur Scherereien…
Grüße, Frederik - der 1VJ fährt.
Original ist schön und gut - ich fahre lieber
53.764 km
Projekt 2026: MEHR FAHREN! FAHREN! FAHREN!
Original ist schön und gut - ich fahre lieber
53.764 km
Projekt 2026: MEHR FAHREN! FAHREN! FAHREN!
Re: E-Starter nachrüsten
Hätte auch geraten auf Hand-Deko umbauen wenn der Auto-Deko nicht richtig funktioniert... Wird sicher die günstigere und einfachere Variante sein.. Sollte es mit dem trotzdem nicht funzen.. kann noch immer über den E-Starter überlegt werden...
lg
Ihr seid bloß neidisch, weil nur ich die leisen Stimmen hören kann. 
Re: E-Starter nachrüsten
Ahh, was ich vergessen habe: Ordentliche Motorradstiefel tragen - immer! Mindern Schmerzen, nicht nur beim Kicken!
Grüße, Frederik - der 1VJ fährt.
Original ist schön und gut - ich fahre lieber
53.764 km
Projekt 2026: MEHR FAHREN! FAHREN! FAHREN!
Original ist schön und gut - ich fahre lieber
53.764 km
Projekt 2026: MEHR FAHREN! FAHREN! FAHREN!
Re: E-Starter nachrüsten
Ich hab E-Starter.. aber hab mir an den Fußrasten schon zwei Paar Turnschuhe ruiniert... (Die Sohle wurde richtig "durchgedrückt" und ist zerbröckelt.. (hab auch die Fußrasten von Bosley
Seitdem nur noch mit Stiefeln..
lg
Ihr seid bloß neidisch, weil nur ich die leisen Stimmen hören kann. 
Re: E-Starter nachrüsten
Hey Leute,
ich habe meinen Umbau jetzt fast fertig. War eigentlich auch recht einfach umzusetzten dank der Anleitung hier.
Ich hänge allerdings gerade an der Verkabelung. Da bin ich leider nicht so bewandert drin
Im Anhang sind 3 Fotos. Und zwar weiß ich nicht so genau, wo ich mit den Kabeln die vom Stecker des Relais kommen hin soll!?
Laut Anleitung soll eines der 2 Kabel an den Leerlaufschalter. Bin mir aber nicht so sicher, welcher das ist!?
Aber dann würde ja immer noch das 2. Kabel des Steckers übrig bleiben.
Und als letztes frage ich mich, ob das + Kabel vom Startknopf nicht eher auf das braune Kabel von der Zündung gehen sollte!?
Sorry für meine Unwissenheit
ich habe meinen Umbau jetzt fast fertig. War eigentlich auch recht einfach umzusetzten dank der Anleitung hier.
Ich hänge allerdings gerade an der Verkabelung. Da bin ich leider nicht so bewandert drin
Im Anhang sind 3 Fotos. Und zwar weiß ich nicht so genau, wo ich mit den Kabeln die vom Stecker des Relais kommen hin soll!?
Laut Anleitung soll eines der 2 Kabel an den Leerlaufschalter. Bin mir aber nicht so sicher, welcher das ist!?
Aber dann würde ja immer noch das 2. Kabel des Steckers übrig bleiben.
Und als letztes frage ich mich, ob das + Kabel vom Startknopf nicht eher auf das braune Kabel von der Zündung gehen sollte!?
Sorry für meine Unwissenheit
Re: E-Starter nachrüsten
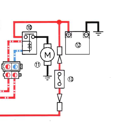
Ich häng nochmal das ursprüngliche Bild hier rein ...

Es geht nur noch um den Anschluss des Starterrelais, ja?
Im Prinzip funktioniert das ja so:
In Summe hat das Starterelais 4 Anschlüsse - 2 für Leistung (dicke Kabel, geschraubt) und zwei für Steuerung (dünne Kabel, per Stecker).
Du hast einerseits den Arbeitskontakt, die den PLUS-Anschluss von der Batterie (12) zum Starter (11) durchschaltet. Die dicken Kabel, die per Ringösen am Starterrelais (10) angeschlossen sind.
Und andererseits die Steuerspule, die diesen Arbeitskontakt schaltet. Im Schema sind diese Anschlusskabel strichliert, in Realität sind das die dünnen Kabel die per Stecker am Starterrelais angeschlossen sind.
Am Steuerstecker müssen einmal Plus und einmal Minus angeschlossen werden, und in der Plusleitung sitzt der Startknopf. Drückst Du den Startknopf, wird der Stromkreis geschlossen und die Steuerspule schließt den Arbeitskontakt, und der E-Starter bekommt Strom direkt über die dicke Leitung von der Batterie und dreht.
Diese dünne Plus-Steuerleitung (rot strichliert) soll vom Startknopf kommen, dessen anderen Anschluss kannst Du irgendwo an braun (Plus, vom Zündschloss geschaltet) anschließen. Entweder direkt am Zündschlosstecker, oder beispielsweise an der Leitung zur Hupe oder zum Bremslichtschalter vorne. Das Relais weiß ja nicht woher der Strom kommt.
Kommt jetzt drauf an welchen Startknopf Du verbaut hast.
Die Minus-Steuerleitung (blau gestrichelt) muss irgendwo auf Masse.
Legst Du sie direkt auf Masse, kannst Du jederzeit starten wenn die Zündung an ist - auch bei eingelegtem Gang.
Legst Du sie hingegen auf den Leerlaufschalter, dann zieht das Startrelais nur an, wenn der Leerlauf eingelegt ist (weil nur dann der Leerlaufschalter auf Masse durchschaltet). Am besten wäre dafür ein Anschluss direkt am Leerlaufschalter unten (auf Deinem Foto zu sehen), dazu ein langes Kabel nach uten legen und mit einer Ringöse dort anschrauben. Da geht keine große Leistung drüber, ein normales 1 mm2 Kabel reicht hier.
Gryße!
Andreas, der motorang

Es geht nur noch um den Anschluss des Starterrelais, ja?
Im Prinzip funktioniert das ja so:
In Summe hat das Starterelais 4 Anschlüsse - 2 für Leistung (dicke Kabel, geschraubt) und zwei für Steuerung (dünne Kabel, per Stecker).
Du hast einerseits den Arbeitskontakt, die den PLUS-Anschluss von der Batterie (12) zum Starter (11) durchschaltet. Die dicken Kabel, die per Ringösen am Starterrelais (10) angeschlossen sind.
Und andererseits die Steuerspule, die diesen Arbeitskontakt schaltet. Im Schema sind diese Anschlusskabel strichliert, in Realität sind das die dünnen Kabel die per Stecker am Starterrelais angeschlossen sind.
Am Steuerstecker müssen einmal Plus und einmal Minus angeschlossen werden, und in der Plusleitung sitzt der Startknopf. Drückst Du den Startknopf, wird der Stromkreis geschlossen und die Steuerspule schließt den Arbeitskontakt, und der E-Starter bekommt Strom direkt über die dicke Leitung von der Batterie und dreht.
Diese dünne Plus-Steuerleitung (rot strichliert) soll vom Startknopf kommen, dessen anderen Anschluss kannst Du irgendwo an braun (Plus, vom Zündschloss geschaltet) anschließen. Entweder direkt am Zündschlosstecker, oder beispielsweise an der Leitung zur Hupe oder zum Bremslichtschalter vorne. Das Relais weiß ja nicht woher der Strom kommt.
Kommt jetzt drauf an welchen Startknopf Du verbaut hast.
Die Minus-Steuerleitung (blau gestrichelt) muss irgendwo auf Masse.
Legst Du sie direkt auf Masse, kannst Du jederzeit starten wenn die Zündung an ist - auch bei eingelegtem Gang.
Legst Du sie hingegen auf den Leerlaufschalter, dann zieht das Startrelais nur an, wenn der Leerlauf eingelegt ist (weil nur dann der Leerlaufschalter auf Masse durchschaltet). Am besten wäre dafür ein Anschluss direkt am Leerlaufschalter unten (auf Deinem Foto zu sehen), dazu ein langes Kabel nach uten legen und mit einer Ringöse dort anschrauben. Da geht keine große Leistung drüber, ein normales 1 mm2 Kabel reicht hier.
Gryße!
Andreas, der motorang
___
Hübsch aussehen alleine reicht eben nicht - man muss auch Bier trinken können.
Hübsch aussehen alleine reicht eben nicht - man muss auch Bier trinken können.
Re: E-Starter nachrüsten
Super, jetzt hab ich's verstanden
Alles ist jetzt eingebaut und der erste Start wurde auch schon versucht, aber dafür ist die noch verbaute 4,5ah Batterie zu schwach.
Die neue kommt aber Samstag, dann wird der nächste Versuch unternommen
Danke für die ausführliche Hilfe!
Alles ist jetzt eingebaut und der erste Start wurde auch schon versucht, aber dafür ist die noch verbaute 4,5ah Batterie zu schwach.
Die neue kommt aber Samstag, dann wird der nächste Versuch unternommen
Danke für die ausführliche Hilfe!
Re: E-Starter nachrüsten
Ok, ich hätte da doch noch ne frage.
Ich hab alles angeschlossen und wenn ich den Taster betätige, hört sich das nach ner Fehlzündung aus dem Relais an.
Also hab ich nochmal alles ausgebaut um nachzusehen.
Im Anhang ist ein Bild wo ich das Relais und den Anlasser zu Testzwecken auf der Werkbank aufgebaut habe.
Ich hoffe man kann erkennen wie ich es angeschlossen hab!?
Den Stecker vom Relais hab ich halt durchgeschaltet ohne Schalter. Aber bis auf das brummen bewegt sich die Welle vom Anlasser nicht.
Ich hab alles angeschlossen und wenn ich den Taster betätige, hört sich das nach ner Fehlzündung aus dem Relais an.
Also hab ich nochmal alles ausgebaut um nachzusehen.
Im Anhang ist ein Bild wo ich das Relais und den Anlasser zu Testzwecken auf der Werkbank aufgebaut habe.
Ich hoffe man kann erkennen wie ich es angeschlossen hab!?
Den Stecker vom Relais hab ich halt durchgeschaltet ohne Schalter. Aber bis auf das brummen bewegt sich die Welle vom Anlasser nicht.