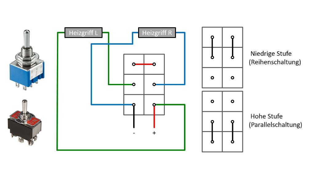
Schaltplan Heizgriffe 2-stufig

Hier stehen Anfragen von uns um die geplante FAQ (oft gestelle Fragen) mit euch abzugleichen und euer Wissen mit einfliessen zu lassen
Antworten
Benutzeravatar
Svoeen
Beiträge: 567
meble kuchenne Ruda Śląska Rybnik Tychy
Registriert: So 29. Apr 2018, 17:07
Wohnort: Hofheim in Unterfranken

Schaltplan Heizgriffe 2-stufig

Beitrag von Svoeen »

Da ich noch Heizgriffe ohne Schalter hatte und sie nicht nur auf höchster Stufe betreiben wollte, hab ich mir überlegt, wie ich sie 2 stufig anschließe. Genutzt wird eine einfache Schaltung mit einem 6 poligen Schalter, wie sie auch bei allen günstigen 2 stufigen Heizgriffsets verwendet wird. Es wird einfach das Prinzip der Parallel- und Reihenschaltung ausgenutzt.
Klar kann man sich fertige Sets kaufen, aber so kann auch ein defekter Schalter mal ersetzt werden und alle die sich sowas bauen wollen, müssen nicht erst alle möglichen Belegungen auf dem Papier ausprobieren

Gruß
Sven

Farben der beiden Bilder stimmen nicht überein ;)
Heizgriffschaltung 2 Stufig.JPG
Heizgriffschaltung 2 Stufig real.JPG
WR 450 F(06er), XT 600E 3UW offen, XTZ 660 3YF, XTZ 850 mit 3VD, XT 750 Scrambler, XV 750 SE Chopper Umbau, XS 1100 Gespann, Grizzly 660

Benutzeravatar
motorang
Beiträge: 5380
Registriert: Mi 31. Dez 2003, 05:13

Re: Schaltplan Heizgriffe 2-stufig

Beitrag von motorang »

Sehr klass - danke!

Gryße!
Andreas, der motorang
___
Hübsch aussehen alleine reicht eben nicht - man muss auch Bier trinken können.

Benutzeravatar
Henner
(verstorben)
Beiträge: 19110
Registriert: Mi 5. Jul 2006, 21:35
Kontaktdaten:

Re: Schaltplan Heizgriffe 2-stufig

Beitrag von Henner »

Ich denke, das kann in die FAQ "Bastelanleitungen", oder ?
Grüße, Henner

Admin XT600.de und XT-FOREN.DE

Ex: 3TB 4PTY EZ 98 - 4x 1VJ unterschiedlicher Baujahre - Umgestiegen auf nen V8 mit 5.7L

Benutzeravatar
Maybach
Beiträge: 1092
Registriert: So 14. Okt 2012, 12:24

Re: Schaltplan Heizgriffe 2-stufig

Beitrag von Maybach »

Toll gemacht, Sven!
Eine Frage eines bekennenden Elektro-Legasthenikers: Ist eine Lötstelle nicht bruchgefährdeter (durch Vibrationen o. ä.) als eine Steckerverbindung? Und gleich noch eine: Wor bringst Du denn das Kast'l unter?

Maybach

Benutzeravatar
Svoeen
Beiträge: 567
Registriert: So 29. Apr 2018, 17:07
Wohnort: Hofheim in Unterfranken

Re: Schaltplan Heizgriffe 2-stufig

Beitrag von Svoeen »

Maybach hat geschrieben:
So 22. Mär 2020, 12:42
Toll gemacht, Sven!
Eine Frage eines bekennenden Elektro-Legasthenikers: Ist eine Lötstelle nicht bruchgefährdeter (durch Vibrationen o. ä.) als eine Steckerverbindung? Und gleich noch eine: Wor bringst Du denn das Kast'l unter?

Maybach
Ja, ist sie.
Die Schalter waren halt da ;)
An meiner XTZ 850 halten Lötstellen auch schon seit einigen tausend km. Die Lötstellen sind auch nur an nicht unbedingt nötigen Teilen, wie Warnblinker und Steckdose :lol:

Das ist kein Kast'l, das ist ne Blende, die ich oberhalb vom Tacho eingebaut hab(dazu die Frontmaske etwas nach vorne gesetzt)
Cockpit.JPG
WR 450 F(06er), XT 600E 3UW offen, XTZ 660 3YF, XTZ 850 mit 3VD, XT 750 Scrambler, XV 750 SE Chopper Umbau, XS 1100 Gespann, Grizzly 660

Benutzeravatar
Maybach
Beiträge: 1092
Registriert: So 14. Okt 2012, 12:24

Re: Schaltplan Heizgriffe 2-stufig

Beitrag von Maybach »

Danke für die Aufklärung, Sven! Wirklich gut gemacht ...

Wie schauts denn aus mit den Plänen für Georgien?

Maybach

Benutzeravatar
Svoeen
Beiträge: 567
Registriert: So 29. Apr 2018, 17:07
Wohnort: Hofheim in Unterfranken

Re: Schaltplan Heizgriffe 2-stufig

Beitrag von Svoeen »

Maybach hat geschrieben:
So 22. Mär 2020, 15:15
Danke für die Aufklärung, Sven! Wirklich gut gemacht ...

Wie schauts denn aus mit den Plänen für Georgien?

Maybach
Danke :)

Die Pläne gibts noch, es wird wohl relativ kurzfristig entschieden werden müssen. Die Hoffnung stirbt zuletzt. Mit Alternativen siehts halt auch schlecht aus :oops:

Die Vorbereitungen gehen auf jeden Fall weiter ihren Gang. Heut hab ich z.B. den Motortausch (inklusive Trennen der Gehausehälften) bei einer der XTs abgeschlossen.
WR 450 F(06er), XT 600E 3UW offen, XTZ 660 3YF, XTZ 850 mit 3VD, XT 750 Scrambler, XV 750 SE Chopper Umbau, XS 1100 Gespann, Grizzly 660

Antworten