Habe mir kuerzlich eine guenstige XT250 BJ 2008 als Projektbike geholt. Das letzte Problem ist der Tacho. Der Originaltacho war gebrochen und unnutzbar, deswegen habe ich einen einfachen Zubehoertacho gekauft mit Basisfunktionen.
Leider ist Elektrik nicht meine Staerke...
Der Zubehoertacho hat folgende Anschlusskabel:
-Power+
-Power-
-Blinker rechts
-Blinker links
-Fernlicht
-Neutral
Ausserdem einen separaten Stecker fuer den Speedsensor, welcher kein Problem ist.
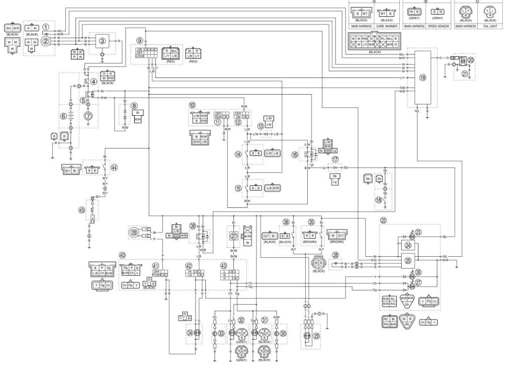
Die bestehenden Tachoanschluesse an der XT sind 3 Stecker.
Stecker 1: Y / Dg / Ch
Gelb: Fernlicht
Dunkelgruen: Blinker links
Chocolate: Blinker rechts
Stecker 2: W/B , W/R, Sb
White Black: Speedsensor (nicht mehr benoetigt, da separater Sensor)
White Red: Speedsensor (nicht mehr benoetigt, da separater Sensor)
Sky Blue: Leerlauf? Unsicher
Stecker 3: R/W, R/L, B/W, R/G
Red White: ?
Red Blue: Geht zur CDI, ist das Plus?
Black White: Power-
Red Green: Geht zum "Main Switch"
Ich habe den Schaltplan angehaengt, bin mir nicht sicher mit Stecker 3?
Fuer Hilfe waere ich sehr dankbar.
Zubehoertacho anschliessen XT250
-
Franconian
- Beiträge: 133
- meble kuchenne Ruda Śląska Rybnik Tychy
- Registriert: Mi 16. Jun 2010, 01:48