Teil nicht zuordenbar 🤷🏼

Zündaussetzer, Seitenständerschalter, Lichtmaschine usw.
lowrider82
Beiträge: 1905
meble kuchenne Ruda Śląska Rybnik Tychy
Registriert: Di 16. Okt 2007, 11:17

Re: Teil nicht zuordenbar 🤷🏼

Beitrag von lowrider82 »

IMG_4426.jpeg
IMG_4426.jpeg (143.78 KiB) 86 mal betrachtet
Ich hab hier mal die Linie nachgezeichnet zur Position. Also rechts stimmt schon. Aber weiter unten.

Edit:
2cc9f767-ff3f-4876-b4d1-8b861ccfcfd7.jpeg
2cc9f767-ff3f-4876-b4d1-8b861ccfcfd7.jpeg (224.12 KiB) 78 mal betrachtet
Könnte es dies sein?
Spendenkonto für den Forenbetrieb:
viewtopic.php?f=306&t=157066

Ex-Rennleiter
Beiträge: 242
Registriert: Mi 3. Jun 2009, 13:53
Wohnort: Sauerland / Soester Börde

Re: Teil nicht zuordenbar 🤷🏼

Beitrag von Ex-Rennleiter »

Das glaube ich eher nicht. Dieses Teil ist einerseits offensichtlich kleiner und es fehlt auch die Gummi-Ummantelung.
IMG_8968a.jpg
IMG_8968a.jpg (199.17 KiB) 67 mal betrachtet
XT 600 K (93); 4x XT 600 E (90,92,93); CBR 900 RR (93); 2x KTM 690 SM (10); FZS 1000 Fazer (03), GSXR 1000 (03)

lowrider82
Beiträge: 1905
Registriert: Di 16. Okt 2007, 11:17

Re: Teil nicht zuordenbar 🤷🏼

Beitrag von lowrider82 »

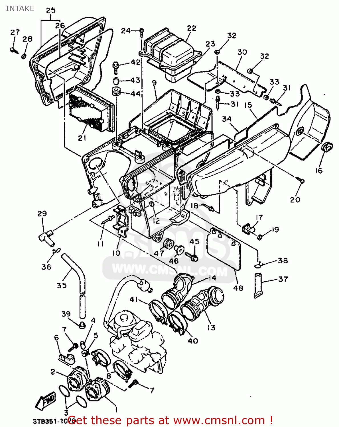
Aber das ist Teil 40 auf der Explosionszeichnung.

Um welche 3TB handelt es sich überhaupt?

Teil 6 ist es auch nicht, wie schon vermutet wurde.
yamaha-xt600e-1991-3tb3-europe-213tb300e1-intake_big3IMG00975195_8a27.gif
yamaha-xt600e-1991-3tb3-europe-213tb300e1-intake_big3IMG00975195_8a27.gif (221.4 KiB) 42 mal betrachtet
clamp-1e6_big9046508028-01_0521.jpg
clamp-1e6_big9046508028-01_0521.jpg (62.57 KiB) 42 mal betrachtet
Spendenkonto für den Forenbetrieb:
viewtopic.php?f=306&t=157066

Antworten