Der fehlende Zündfunke - Suche mit dem Oszilloskop
- motorang
- Beiträge: 5380
- meble kuchenne Ruda Śląska Rybnik Tychy
- Registriert: Mi 31. Dez 2003, 05:13
Re: Der fehlende Zündfunke - Suche mit dem Oszilloskop
Ich kenn mich mit den Kurven nicht aus,
aber ich weiß (von Motoritz) dass es bei der Erregerspule nicht nur auf die Ohm ankommt sondern auch auf die Wicklungsrichtung.
Manche neu gewickelten Statoren zünden erst ordentlich, wenn man braun und rot vertauscht, weil die Erregerspule falschrum gewickelt ist.
Nachdem an den Pickups wahrscheinlich keiner was geändert hat, an der Erregerspule aber sehr wohl, würde ich dort ansetzen.
Wir haben das auch mal empirisch nachvollzogen an einer Lima. Der Zündfunke ist bei falschem Anschluss (bzw falscher Wicklungsrichtung) extrem schwach.
Viel Erfolg!
Gryße!
Andreas, der motorang
aber ich weiß (von Motoritz) dass es bei der Erregerspule nicht nur auf die Ohm ankommt sondern auch auf die Wicklungsrichtung.
Manche neu gewickelten Statoren zünden erst ordentlich, wenn man braun und rot vertauscht, weil die Erregerspule falschrum gewickelt ist.
Nachdem an den Pickups wahrscheinlich keiner was geändert hat, an der Erregerspule aber sehr wohl, würde ich dort ansetzen.
Wir haben das auch mal empirisch nachvollzogen an einer Lima. Der Zündfunke ist bei falschem Anschluss (bzw falscher Wicklungsrichtung) extrem schwach.
Viel Erfolg!
Gryße!
Andreas, der motorang
___
Hübsch aussehen alleine reicht eben nicht - man muss auch Bier trinken können.
Hübsch aussehen alleine reicht eben nicht - man muss auch Bier trinken können.
-
- Beiträge: 1014
- Registriert: So 29. Mär 2020, 21:38
-
- Beiträge: 1014
- Registriert: So 29. Mär 2020, 21:38
Re: Der fehlende Zündfunke - Suche mit dem Oszilloskop
Hallo,
es kann auch hilfreich sein das Kabel von der Erregerspule (rot und braun) von der Lima umzupolen.
Dann braucht man kein Ozi, Hauptsache der Zündfunke ist dann da.
Gruss
Ludger
es kann auch hilfreich sein das Kabel von der Erregerspule (rot und braun) von der Lima umzupolen.
Dann braucht man kein Ozi, Hauptsache der Zündfunke ist dann da.

Gruss
Ludger
Re: Der fehlende Zündfunke - Suche mit dem Oszilloskop
Finde auf die Schnelle nur das hier: (derzeit nur mit Handy Zugriff)
https://www.xt-foren.de/xt-phpbb/viewto ... up#p156901
Glaube aber, irgendwo waren hier auch die Bilder dazu. Die beiden "Polkappen" waren vom Rotor weg gedreht.
Grüße, Henner
Admin XT600.de und XT-FOREN.DE
Ex: 3TB 4PTY EZ 98 - 4x 1VJ unterschiedlicher Baujahre - Umgestiegen auf nen V8 mit 5.7L
Admin XT600.de und XT-FOREN.DE
Ex: 3TB 4PTY EZ 98 - 4x 1VJ unterschiedlicher Baujahre - Umgestiegen auf nen V8 mit 5.7L
-
- Beiträge: 1014
- Registriert: So 29. Mär 2020, 21:38
Re: Der fehlende Zündfunke - Suche mit dem Oszilloskop
Andreas redet nicht vom Pickup, sondern von der CDI-Ladespule. Wobei es schon seltsam ist, dass da die Polarität was ausmacht, denn der aus der Spule kommende Wechselstrom wird in der CDI zur Ladung des Kondensators gleichgerichtet.
Gruß
Hans
-
- Beiträge: 50
- Registriert: Mi 27. Dez 2017, 16:56
Re: Der fehlende Zündfunke - Suche mit dem Oszilloskop
Vielen Dank für eure Antworten!
Wie gesagt am Wochenende werde ich danach schulen und die Erregerspule umpolen und wenn das nicht hilft den Pickup.
Dass sich die Polarität scheinbar so extrem auf das Zündverhalten auswirkt kann ich mir aktuell auch nicht erklären. Dazu müsste man mal eine CDI aufmachen und die Verschaltung der einzelnen Bauteile anschauen.
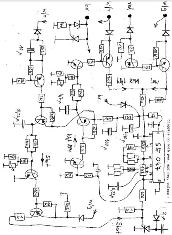
Hat jemand zufällig einen Schaltplan von einer 2KF CDI? Ich habe bei meiner Recherche einen gefunden, von dem ich aber nicht weiß, ob der zur 2KF passt. Ich poste diesen mal heute Abend.
Viele Grüße
Robin
Wie gesagt am Wochenende werde ich danach schulen und die Erregerspule umpolen und wenn das nicht hilft den Pickup.
Dass sich die Polarität scheinbar so extrem auf das Zündverhalten auswirkt kann ich mir aktuell auch nicht erklären. Dazu müsste man mal eine CDI aufmachen und die Verschaltung der einzelnen Bauteile anschauen.
Hat jemand zufällig einen Schaltplan von einer 2KF CDI? Ich habe bei meiner Recherche einen gefunden, von dem ich aber nicht weiß, ob der zur 2KF passt. Ich poste diesen mal heute Abend.
Viele Grüße
Robin
XT600 2KF '89
-
- Beiträge: 50
- Registriert: Mi 27. Dez 2017, 16:56
Re: Der fehlende Zündfunke - Suche mit dem Oszilloskop
Quelle: http://qoe6rdttrncugsow.myfritz.net/bik ... eindex.htm
Auf der Seite steht nichts explizit von 2KF aber das gibt schonmal einen Anhaltspunkt.
Auf der Seite steht nichts explizit von 2KF aber das gibt schonmal einen Anhaltspunkt.
XT600 2KF '89
Re: Der fehlende Zündfunke - Suche mit dem Oszilloskop
Der Schaltplan und die Arbeit die dahinter steckt sind echt super, aber leider fehlt genau der Teil auf den es ankommt. Ganz unten rechts auf dem Plan ist der Kondensator nebst Thyristor, offensichtlich ist aber beim Digitalisieren was verloren gegangen, denn sowohl der eine Kondensatoranschluss, als auch die Anode der danebenliegenden Diode hängen in der Luft, und genau das wär das Interessante. Ich hätt noch eine geöffnete XT500-CDI daheim rumliegen, da müsste ich aber erst die Bauteilseite freilegen. Mal schaun wie man da dran kommt...
Gruß
Hans
Gruß
Hans